1 / 5
Dave Lift
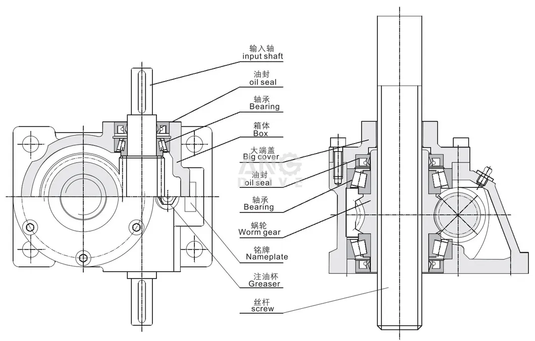
SWL5 SWL10 2500KG Worm Mechanical Jack Big Torque Lifting Screw Jack






| Model | Screw Thread Size | Max Lifting Weight | Max Strength (kN) | Weight (kg) | Screw Weight/100mm |
|---|---|---|---|---|---|
| SWL2.5 | Tr30*6 | 750KG | 25 | 7.3 | 0.45 |
| SWL5 | Tr40*7 | 1500KG | 50 | 16.2 | 0.82 |
| SWL10/15 | Tr58*12 | 2500/3750KG | 100/150 | 25 | 1.67 |
| SWL20 | Tr65*12 | 5000KG | 200 | 36 | 2.15 |
| SWL25 | Tr90*16 | 6250KG | 250 | 70.5 | 4.15 |
| SWL50 | Tr120*20 | 12500KG | 500 | 420 | 7.45 |
| SWL100 | Tr160*23 | 23000KG | 1000 | 1010 | 13.6 |


